National Service Hotline:
+86-372-2595077/2595078/2595088
Purpose
This product is a set of electric-mechanical transformation equipment, together with proportional control amplifier, used in the electric-hydraulic proportional system of DC 24V. They are used in the proportional flux control valve and proportional directional valve of REROTH. In the range of rated stroke and rated current, the input force &stroke is proportional to the input current, and the force is permanent within rated stroke. When given a definite current, the solenoid can be adjusted force by itself compression spring, then change the input flux of proportional flux control valve. The input current is infinitely variable control within rated range;infinite speed It can make the outfit of the hydraulic system realize infinite speed variation, commutation and telecontrol.
Key Parameters
Code | GP45-4-A |
Rated Current (A) | 0.8 |
Room Temperature Resistance (Ω) | 19.5 |
Rated Force (N) | 80 |
Rated Stroke (mm) | 3 |
Total Stroke (mm) | 6 |
Force Lag Characteristic (%) | ≤3 |
Current Lag Characteristic (%) | ≤3 |
Repeat Accuracy (%) | ≤1 |
Static Oil Pressure (MPa) | 21 |
Protection Grade | IP65 |
Steady Stroke-Force Curve

displacement(mm)
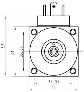
Externality &Installation Dimensions


Operating Notice
● The socket of solenoids meet with ISO4400 standard.
● There is a protector of over-current between electrical control system and solenoid,in order to prevent thesolenoid and the electrical component from burning in improper conditions.
● The handle operating button is fit for adjustment,service and sometime in emergency.
● The working medium of hydraulic system is mineral oil,phosphoric acid oil.
● Make the vent hole above when installing,make sure the air exhausted from solenoid when you use it.
● The solenoid fit for continuous duty.
Explanation Of Sample
● If the application is beyond the catalogue,please contact with us.
● Characteristic curve for reference only.
● The main performance parameter is obtained in the conditions of lab.Finally explanation and changing of the parameters by KAIDI.
Chinese
English
Русский
Español