National Service Hotline:
+86-372-2595077/2595078/2595088
Purpose
This series of products is an electromechanical conversion device that is used in conjunction with a proportional control amplifier in a DC 12V/24V/48V/80V electro-hydraulic proportional control system.It can replace imports for forklift multi way valves.The output force of the electromagnet is converted into displacement through a load spring, achieving linear conversion of current force displacement. The electromagnet is fixed with a central thread, and the hydraulic device does not need to be disassembled when replacing the electromagnet coil. It can be installed in any direction.The insulation level of the electromagnetic coil is H,and it can withstand 210bar pressure. The protection level is IP66,and this type of electromagnet is suitable for forklift multi way valves.
Key Parameters
Code | EP45-N | |||
Ambient Temperature (℃) | -30~+50 | |||
Rated Stroke (mm) | 2.8 | |||
Total Stroke (mm) | 7 | |||
Recommend Stroke Range (mm) | 0.3~2.7 | |||
Rated Force (N) | 60 | |||
Force Lag Characteristic (%) | ≤5 | |||
Current Lag Characteristic (%) | ≤5 | |||
Repeat Accuracy (%) | ≤1 | |||
Rated Voltage (V) | 12 | 24 | 48 | 80 |
Current(max) (A) | 2 | 1 | 0.5 | 0.37 |
Rated Resistance 20℃ (Ω) | 4.77 | 18 | 42 | 77.3 |
Steady Stroke-Force Curve
48V Example

displacement(mm)
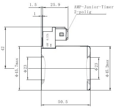
Externality &Installation Dimensions

Solenoid

Coil

Tube
Operating Notice
● Electromagnet socket standard: 282190-1。
● There is a protector of over-current between electrical control system and solenoid,in order to prevent thesolenoid and the electrical component from burning in improper conditions.
● The working medium of hydraulic system is mineral oil,phosphoric acid oil.
● The solenoid fit for continuous duty.
Explanation Of Sample
● If the application is beyond the catalogue,please contact with us.
● Characteristic curve for reference only.
● The main performance parameter is obtained in the conditions of lab.Finally explanation and changing of the parameters by KAIDI.
Chinese
English
Русский
Español