National Service Hotline:
+86-372-2595077/2595078/2595088
Purpose
This series of electromagnets is suitable for the control circuit of DC power supply and serves as the power component of hydraulic electromagnetic directional valves. An electromagnetic directional valve that can be matched with the six way threaded connection of the YUKEN series in Japan.
Usual Service Conditions
● It can be installed randomly.
● There is no gas or dust in ambient which can corrupt metal or destroy nonconductor. Or, it will affect the products lifetime.
● The solenoids fit for the continuous duty system or intermittent periodic duty system.
● The reasonable wave range of supply voltage is between 85%-110%(any special requirements is possible).
● The protection is IP65 class.
Key Parameters
Code | MFZ18-20YC | MFZ18A-20YC |
Rated Voltage (V) | 1224 | 1224 |
Rated Force (N) | ≥20 | ≥20 |
Rated Stroke (mm) | 3 | 3 |
Total Stroke (mm) | ≥6 | ≥6 |
Consumed Power (W) | 30 | 30 |
Static Oil Pressure (MPa) | 21 | 21 |
Operating Frequency (T/h) | 12000 | 12000 |
Order Code
Valve-Using Solenoids | DC | Design Code | Rated Force(N) | Wet |
MF | Z | 18/18A | 20 | YC |
Steady Stroke-Force Curve

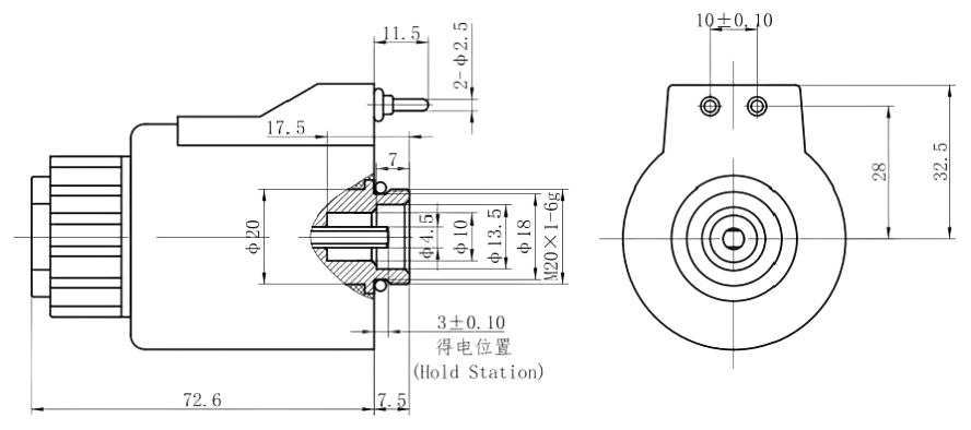
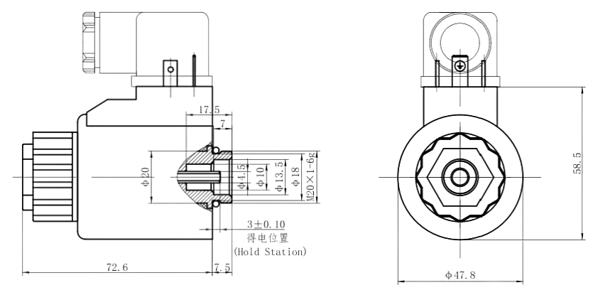
Externality &Installation Dimensions
MFZ18-20YC

MFZ18A-20YC

Operating Notice
● The pushpin of the solenoid is used in adjustment or sometimes in emergency, but when the back pressure of the system is higher, please use screwdriver to push it, not strike it. The wallop can destroy the pushpin and the surface of the leading hole, or the solenoid will leak oil or cannot reposition.
● There is a protector of over-current between electrical control system and solenoid, in order to prevent the solenoid and the electrical component from burning in improper conditions.
Explanation Of Sample
● If client have special requirements,we can adjust the connect dimension ,power connect method and the extended length of push pin as demanding.
● Characteristic curve for reference only.
Chinese
English
Русский
Español