National Service Hotline:
+86-372-2595077/2595078/2595088
Purpose
Waterproof joint type electromagnets are widely used in various fields, with a shell protection level of IP67, and can be used in hydraulic valve control systems of construction machinery;The product has strong resistance to environmental changes and can be used in alternating systems with ambient temperatures ranging from -40 ℃ to+150 ℃;Longer working life, higher product reliability, mechanical life up to 20 million times, electrical life up to 10 million times; Adopting environmentally friendly galvanizing process, the salt spray resistance test ability can reach 72 hours without white rust and 144 hours without red rust, meeting the EU ROHS export product requirements;Super strong oil pressure alternating resistance, capable of withstanding alternating loads of 10 million times at 4Hz and rated oil pressure.
Usual Service Conditions
● Can be installed in any direction.
● There should be no gas or dust in the operating environment that is sufficient to corrode metals and damage insulation. Otherwise,it may affect the product's lifespan.
● Electromagnets are suitable for long-term and intermittent cycle working systems.
● The reasonable fluctuation range of power supply voltage is 85%to 110%(special requirements can be proposed when ordering).
● The protection is Ip67 class.
Key Parameters
Code | MFZ12-37YC(DT/AMP) | MFZ12-90YC(DT/AMP) |
Rated Voltage (V) | 12142428 | 12142428 |
Rated Force (N) | ≥37 | ≥90 |
Rated Stroke (mm) | 2.8 | 4 |
Total Stroke (mm) | ≥6.1 | ≥9 |
Consumed Power (W) | ≤30 | ≤36 |
Static Oil Pressure (MPa) | 21 | 21 |
Operating Frequency (T/h) | 12000 | 12000 |
Order Code
Valve-Using Solenoids | DC | Design Code | Rated Force(N) | Wet | DT/AMP |
MF | Z | 12 | 37/90 | YC | DT Dechi connector AMP Amp connector |
Steady Stroke-Force Curve

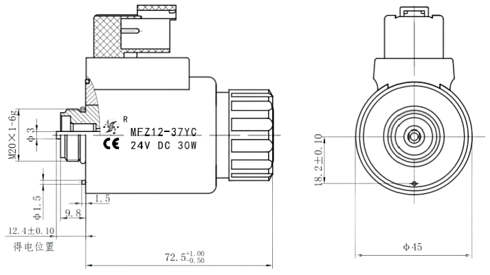
Externality &Installation Dimensions
MFZ12-37YC(DT)

MFZ12-37YC(AMP)

MFZ12-90YC(DT)

MFZ12-90YC(AMP)

Operating Notice
● The manual push rod of the electromagnet is used for manual control during debugging or in emergency situations. But when the system back pressure is high and adjustment is difficult, please use a cross screwdriver to slowly push the manual push rod, and do not use impact force to avoid damaging the surface of the manual push rod and guide inner hole, causing oil leakage or inability to reset the electromagnet.
● When using electromagnets in both directions,it is important to ensure that both electromagnets are not energized simultaneously to prevent the solenoid valve from working properly.
● There should be an over current protection device between the electrical control system and the connection part of the electromagnet to avoid burning the electromagnet and your electronic control components under abnormal circumstances.
Explanation Of Sample
● If client have special requirements,we can adjust the connect dimension ,power connect method and the extended length of push pin as demanding.
● Characteristic curve for reference only.
Chinese
English
Русский
Español