National Service Hotline:
+86-372-2595077/2595078/2595088
Purpose
This product is a set of electric-mechanical transformation, together with proportional control amplifier, used in the electro hydraulic proportional system of DC 12V/24V. Acting together on the Hawe type load sensitive proportional multi-way valve. In the range of the rated stroke and rated current, the input force &stroke is proportional to the input current, the force is permanent within rated stroke, the input current is infinitely variable control within rated range. It can make the outfit of the hydraulic system realize infinite speed variation, commutation and telecontrol.
Key Parameters
Code | DP3049-3-A 2DT | |
Rated Voltage (V) | 24V | 12V |
Ambient Temperature (℃) | -30~+60 | |
Rated Stroke (mm) | 1.2 | |
Total Stroke (mm) | ≥1.7 | |
Recommend Stroke Range (mm) | 0.2~1.0 | |
Rated Force (N) | 21 | |
Force Lag Characteristic (%) | ≤5 | |
Current Lag Characteristic (%) | ≤6.5 | |
Rated Current (A) | 0.63 | 1.26 |
Current(max) (A) | 0.88 | 1.76 |
Rated Resistance 20℃ (Ω) | 27 | 6.7 |
Rated Power (W) | 10.8 | 10.6 |
Power(max) (W) | 21.2 | 21.5 |
Protection Grade | IP67 | |
Steady Stroke-Force Curve
24V Example

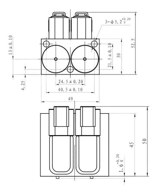
Externality &Installation Dimensions

Operating Notice
● Electromagnet uses two dt06-2s deci sockets.
● There is a protector of over-current between electrical control system and solenoid, in order to prevent thesolenoid and the electrical component from burning in improper conditions.
● The working medium of hydraulic system is mineral oil, phosphoric acid oil.
● The solenoid fit for continuous duty.
Explanation Of Sample
● If the application is beyond the catalogue,please contact with us.
● Characteristic curve for reference only.
● The main performance parameter is obtained in the conditions of lab.Finally explanation and changing of the parameters by KAIDI.
Chinese
English
Русский
Español