National Service Hotline:
+86-372-2595077/2595078/2595088
Purpose
This series of products is an electromechanical conversion device that is used in conjunction with proportional control amplifiers in DC 12V/24V electro-hydraulic proportional control systems, working together on multiple Rexroth proportional hydraulic pumps and motors. The electromagnet is fixed with a central thread, and the hydraulic device does not need to be disassembled when replacing the electromagnet coil. It can be installed in any direction. The insulation level of the electromagnetic coil is H, and it can withstand a pressure of 210bar. The protection level is IP67, IP69K, and this type of electromagnet is suitable for construction machinery.
Key Parameters
Code | GP37-S-E | |
Ambient Temperature (℃) | -20~+70 | |
Rated Stroke (mm) | 2 | |
Total Stroke (mm) | 2.35±0.35 | |
Recommend Stroke Range (mm) | 0.5~1.5 | |
Rated Force (N) | 42 | |
Force Lag Characteristic (%) | ≤4 | |
Current Lag Characteristic (%) | ≤3 | |
Repeat Accuracy (%) | ≤1 | |
Power Voltage (V) | 12 | 24 |
Rated Current (A) | 1.2 | 0.6 |
Rated Resistance 20℃ (Ω) | 5.5 | 22.7 |
Rated Power (W) | 8 | 8 |
Steady Stroke-Force Curve
24V Example

displacement(mm)
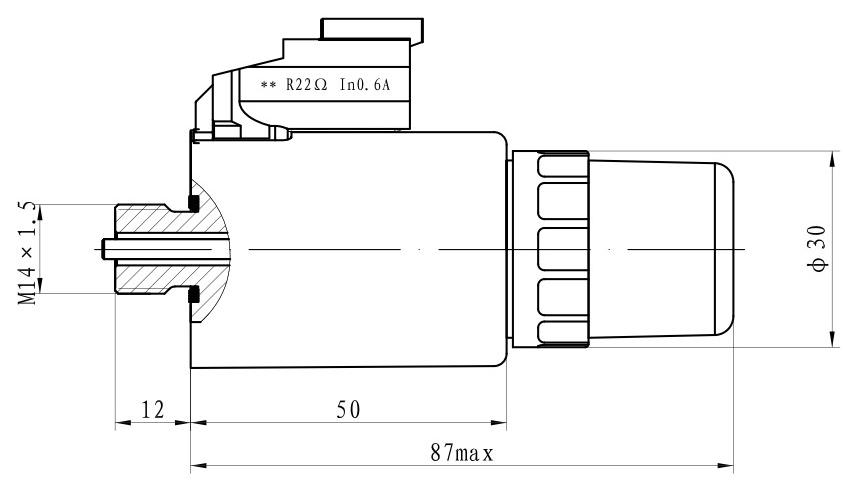
Externality &Installation Dimensions

Solenoid

Coil

Tube
Operating Notice
● Electromagnet socket standard:DT04-2P.
● There is a protector of over-current between electrical control system and solenoid, in order to prevent. The solenoid and the electrical component from burning in improper conditions.
● The working medium of hydraulic system is mineral oil,phosphoric acid oil.
● The solenoid fit for continuous duty.
Explanation Of Sample
● If the application is beyond the catalogue,please contact with us.
● Characteristic curve for reference only.
● The main performance parameter is obtained in the conditions of lab. Finally explanation and changing of the parameters by KAIDI.
Chinese
English
Русский
Español