National Service Hotline:
+86-372-2595077/2595078/2595088
Purpose
This product is a set of electric-mechanical transformation equipment. In the range of the rated stroke and rated current, the input force is proportional to the input signal. Together with proportional control amplifier, it can be realized accurate control to electric-hydraulic valve spool. It has characteristic of long stroke, high repeat accuracy, high output force, etc. as compon ent of directly proportional spillover valve, proportional flow control Valve, and proportional throttle, combination valve(PQ valve).
Key Parameters
Code | GV40-4-A |
Rated Stroke (mm) | 3 |
Total Stroke (mm) | 3.2 |
Rated Current (A) | 0.8 |
Rated Force (N) | 48 |
Room Temperature Resistance (Ω) | 10 |
Force Lag Characteristic (%) | ≤2 |
Current Lag Characteristic (%) | ≤2 |
Electrify Frequency (%) | 100 |
Repeat Accuracy (%) | ≤1 |
Static Oil Pressure (MPa) | 21 |
Thermal Endurance Class | F |
The parameter marked “*” an be adjusted according to the requiments.
Usual Service Conditions
● There is no gas or dust which can corrupt metal or destroy nonconductor.
● The solenoids fit for the continuous duty system or intermittent periodic duty system.
● The protection is IP65 class.
Steady Stroke-Force Curve

displacement(mm)
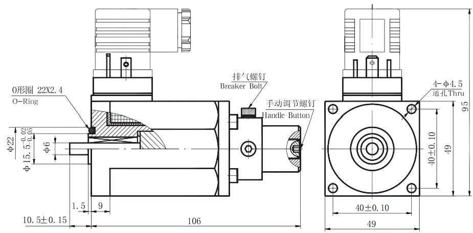
Externality &Installation Dimensions

Operating Notice
● Installation Position
The vent hole must be installed on above.
● Exhaust
In order to realize stabilization control,please make the air out of the solenoid thoroughly,and full of oil.
When exhausting,please open the bolt slowly and slowly.Be careful the spilling!
● Adjust The Bolt By Hand
If there is no current at the beginning adjustment or because of electrical accident,you can turn the bolt by hand;set the pressure or flux of the valve temporarily,please make sure the handle bolt return to the position at normal operating.
Explanation Of Sample
● If the application is beyond the catalogue,please contact with us.
● Characteristic curve for reference only.
● The main performance parameter is obtained in the conditions of lab.Finally explanation and changing of the parameters by KAIDI.
Chinese
English
Русский
Español