National Service Hotline:
+86-372-2595077/2595078/2595088
Purpose
This series of products is an electro-mechanical conversion device. Within the rated stroke and rated current range, its output force and displacement are proportional to the input current. The input force remains constant within the rated stroke, and the input current is stepless adjusted within the rated range. It can achieve stepless speed regulation, commutation, and remote control of the hydraulic system actuator within the rated range.
Key Parameters
Code | GRF35-4-A | |
Rated Voltage (V) | 24V | 12V |
Rated Stroke (mm) | 2 | 2 |
Total Stroke (mm) | 4.5 | 4.5 |
Rated Current (A) | 0.68 | 1.36 |
Rated Force (N) | 56 | 56 |
Room Temperature Resistance (Ω) | 24.6 | 6 |
Force Lag Characteristic (%) | ≤4 | ≤4 |
Maximum power (A) | 17.4 | |
Static Oil Pressure | 21Mpa | 21Mpa |
Protection Grade | IP65/IP67 | IP65/IP67 |
Power wiring method | DIN/DT | DIN/DT |
Steady Stroke-Force Curve

displacement(mm)
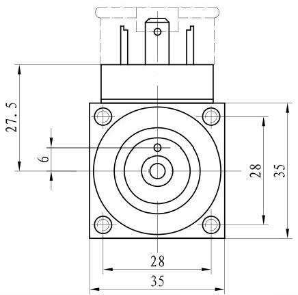
Externality &Installation Dimensions


Explanation Of Sample
● If the application is beyond the catalogue,please contact with us.
● Characteristic curve for reference only.
● The main performance parameter is obtained in the conditions of lab.Finally explanation and changing of the parameters by KAIDI.
Chinese
English
Русский
Español